
Περιγραφή
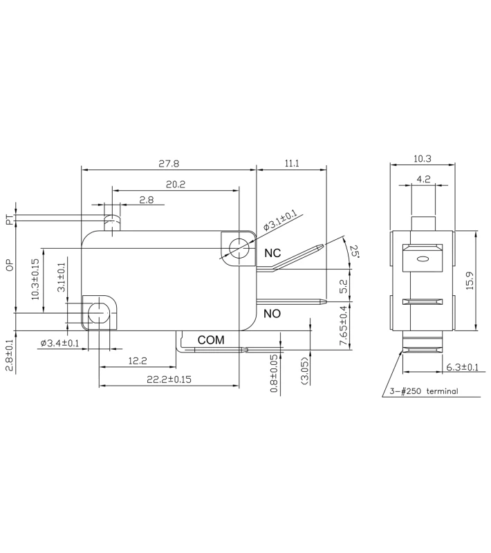
MICRO SWITCH Button VM-05S-00C0-Z ZPY
Ο MICRO SWITCH Button VM-05S-00C0-Z ZPY είναι ένας υψηλής ακρίβειας μικροδιακόπτης, σχεδιασμένος για να λειτουργεί με ελάχιστη δύναμη ενεργοποίησης. Διαθέτει μηχανισμό που φέρει την επαφή και ενεργοποιείται με το πάτημα του κουμπιού, προσφέροντας αξιοπιστία και σταθερότητα στη λειτουργία.
Οι μικροδιακόπτες όπως το VM-05S-00C0-Z ZPY χρησιμοποιούνται σε πλήθος εφαρμογών, χάρη στην ικανότητά τους να ανιχνεύουν ακόμα και τις μικρότερες αλλαγές στη δύναμη ή τη θέση. Αποτελούν αναπόσπαστο κομμάτι σε συστήματα ελέγχου πίεσης, θερμοκρασίας, θέσης κινούμενων μερών, ροής και σε πολλές άλλες ηλεκτρομηχανολογικές διατάξεις.
Τεχνικές Προδιαγραφές
- Μοντέλο: VM-05S-00C0-Z ZPY
- Τύπος: Μικροδιακόπτης τύπου Button
- Ρεύμα λειτουργίας: 5A
- Ονομαστική τάση: 125–250VAC
- Θερμοκρασία λειτουργίας: -40°C έως +120°C
- Αντίσταση μόνωσης: ≥100 MΩ (στα 500VDC / λεπτό)
- Διάρκεια ζωής: έως 10.000 επαναλήψεις
Πλεονεκτήματα
- Υψηλή ακρίβεια: ανιχνεύει ακόμη και μικρές μεταβολές δύναμης ή θέσης.
- Συμπαγής σχεδίαση: ιδανικός για εφαρμογές με περιορισμένο χώρο.
- Αντοχή: λειτουργεί σε ευρύ φάσμα θερμοκρασιών (-40°C έως +120°C).
- Μεγάλη διάρκεια ζωής: έως 10.000 κύκλους χρήσης.
- Ασφάλεια: υψηλή μόνωση για απαιτητικά περιβάλλοντα.
Εφαρμογές
- Έλεγχος θέσης κινούμενων μηχανικών μερών.
- Συστήματα ελέγχου πίεσης και θερμοκρασίας.
- Έλεγχος ροής σε συσκευές και βιομηχανικά συστήματα.
- Οικιακές ηλεκτρικές συσκευές και μηχανισμοί αυτοματισμού.
- Εφαρμογές ασφαλείας και παρακολούθησης.
Συμπέρασμα
Ο MICRO SWITCH Button VM-05S-00C0-Z ZPY είναι ένας αξιόπιστος μικροδιακόπτης που συνδυάζει αντοχή, ακρίβεια και μακροχρόνια απόδοση. Ιδανικός για ένα ευρύ φάσμα εφαρμογών σε βιομηχανικό και οικιακό επίπεδο, προσφέροντας ασφαλή και σταθερή λειτουργία.
Χαρακτηριστικά
| SKU | 5029831 |
| Μάρκα | OEM |
| Κατηγορία | Παρελκόμενα Εγκατάστασης |
€1.09




