
Περιγραφή
Shelly Uni Wi-Fi Module – Ελεγκτής Γενικής Χρήσης
Το Shelly Uni είναι ένας μικρός αλλά πανίσχυρος ελεγκτής Wi-Fi που μπορεί να μετατρέψει σχεδόν οποιαδήποτε ηλεκτρική συσκευή σε έξυπνη συσκευή. Με το μικροσκοπικό μέγεθος των 20 × 33 × 13mm, μπορεί να εγκατασταθεί οπουδήποτε, από το σπίτι μέχρι το τροχόσπιτο, δίνοντας σας απεριόριστες δυνατότητες αυτοματισμού. Παρά το μικρό του μέγεθος, προσφέρει πλήρεις δυνατότητες ελέγχου, εισόδων, εξόδων και αισθητήρων, καθιστώντας το ένα από τα πιο ευέλικτα Wi-Fi modules της αγοράς.
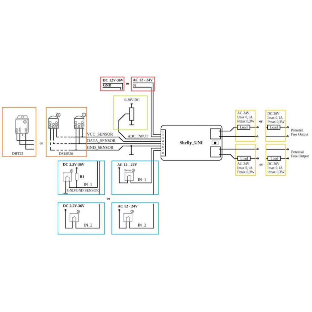
Διαθέτει 2 ανεξάρτητες ψηφιακές εισόδους, 2 εξόδους χωρίς δυναμικό, καθώς και υποστήριξη για αισθητήρες θερμοκρασίας και υγρασίας, όπως ο DS18B20. Όλα αυτά μπορούν να παρακολουθούνται και να ελέγχονται μέσω της εφαρμογής Shelly Cloud, που ενσωματώνει όλες τις συσκευές Shelly σε ένα ενιαίο περιβάλλον.
Κύρια Χαρακτηριστικά
- Μικροσκοπικό μέγεθος: 20 × 33 × 13mm, το μικρότερο module γενικής χρήσης Shelly.
- Ευέλικτη τροφοδοσία: λειτουργεί με 12V–36V DC και 12V–24V AC.
- 2 ψηφιακές είσοδοι: υποστηρίζουν διαφορετικές τάσεις (2.2–36V DC και 12–24V AC).
- 2 έξοδοι χωρίς δυναμικό: έως 36VAC / 24VDC, μέγιστο ρεύμα 100mA.
- Υποστήριξη αισθητήρων: δυνατότητα παρακολούθησης θερμοκρασίας με DS18B20.
- Wi-Fi συνδεσιμότητα: 802.11 b/g/n, χωρίς ανάγκη για hub ή gateway.
- Ασφαλές περίβλημα: διαφανές κάλυμμα για καλύτερη μόνωση και προστασία.
- Έξυπνες λειτουργίες: ανατολή/δύση, εβδομαδιαία προγράμματα, απομακρυσμένος έλεγχος.
- Χαμηλή κατανάλωση: κάτω από 1W, ιδανικό για συνεχή χρήση.
Περισσότερες Δυνατότητες
- Ευέλικτη τοποθέτηση: μπορεί να εγκατασταθεί σχεδόν παντού λόγω μικρού μεγέθους.
- Έλεγχος & παρακολούθηση: σύνδεση με αισθητήρες για θερμοκρασία, υγρασία ή στάθμη νερού.
- Απομακρυσμένος έλεγχος: μέσω της εφαρμογής Shelly Cloud.
- Πλήρης αυτοματοποίηση: δημιουργία έξυπνων σκηνών με άλλες συσκευές Shelly.
- Ενσωμάτωση: συμβατό με συστήματα smart home και φωνητικούς βοηθούς.
Τεχνικά Χαρακτηριστικά
| Κατασκευαστής | Shelly |
| Μοντέλο | UNI |
| Τροφοδοσία AC | 12V – 24V |
| Τροφοδοσία DC | 12V – 36V |
| Θερμοκρασία λειτουργίας | 0°C έως +40°C |
| Κατανάλωση συσκευής | < 1W |
| Πρωτόκολλο Wi-Fi | 802.11 b/g/n |
| Ραδιοσυχνότητα | 2400 – 2484 MHz |
| Ισχύς σήματος | 1 mW |
| Διαστάσεις | 20 × 33 × 13 mm |
Πλεονεκτήματα του Shelly Uni
- Μικρό & διακριτικό: χωράει οπουδήποτε.
- Πολυχρηστικότητα: ιδανικό για σπίτια, τροχόσπιτα ή DIY projects.
- Αυτοματοποίηση: δυνατότητα δημιουργίας έξυπνων σεναρίων.
- Παρακολούθηση αισθητήρων: θερμοκρασία, υγρασία, στάθμη νερού.
- Χαμηλή κατανάλωση: ιδανικό για συνεχή λειτουργία.
- Ασφάλεια: προστασία με διαφανές κάλυμμα για μόνωση.
Ιδανικές Χρήσεις
- Μετατροπή παλαιών ηλεκτρικών συσκευών σε έξυπνες.
- Αυτοματοποίηση συστημάτων σε σπίτια και τροχόσπιτα.
- Παρακολούθηση θερμοκρασίας/υγρασίας σε αποθήκες ή θερμοκήπια.
- DIY projects για smart home εφαρμογές.
Συμπέρασμα
Το Shelly Uni Wi-Fi Module είναι ένας πανίσχυρος ελεγκτής γενικής χρήσης, παρά το μικροσκοπικό του μέγεθος. Με δυνατότητα σύνδεσης εισόδων, εξόδων και αισθητήρων, προσφέρει μέγιστη ευελιξία και ευκολία εγκατάστασης. Είναι η ιδανική επιλογή για όσους θέλουν να αυτοματοποιήσουν το σπίτι τους ή να δημιουργήσουν DIY λύσεις smart home, χωρίς περιορισμούς.
Επενδύοντας στο Shelly Uni, αποκτάτε μια συσκευή που συνδυάζει ευελιξία, λειτουργικότητα και οικονομία, δίνοντάς σας τη δυνατότητα να μετατρέψετε οποιαδήποτε συσκευή σε έξυπνη.
Χαρακτηριστικά
| SKU | 1512356 |
| Μάρκα | Shelly |
| Κατηγορία | Smart Home |
| Υποκατηγορία | |
| Τεχνικά Χαρακτηριστικά | |
| Συνδεσιμότητα | WiFi |
Σχετικά Προϊόντα

AJAX
AJAX SIDEBUTTON BLACK 1-GANG VERTICAL
Επικοινωνήστε για τιμή

Shelly
Shelly Qubino Wave 2PM - Έξυπνος διακόπτης Z-Wave™
€42.16
(με ΦΠΑ)

AJAX
AJAX - SOLO BUTTON (2-GANG) GRAPHITE Πρόσοψη δύο θέσεων για ασύρματο διακόπτη ελέγχου φωτισμού, σε μολυβί χρώμα
Επικοινωνήστε για τιμή

SONOFF
Sonoff MiniR4 Extreme - Έξυπνος Ενδιάμεσος Μονός Διακόπτης
€10.54
(με ΦΠΑ)
€14.76
